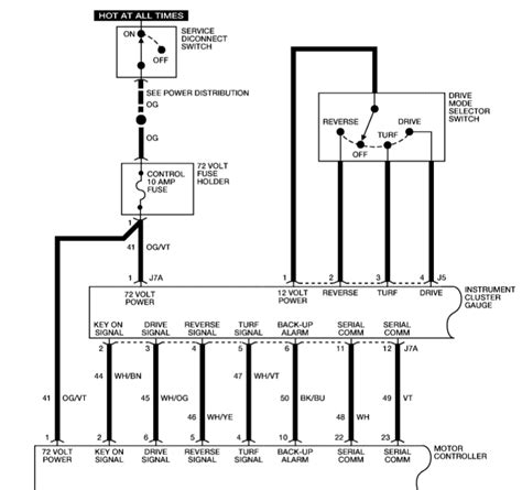
Ford Think Instrument Cluster Schematic

Ford Think Instrument Cluster Schematic. These circuits are active whenever the main. 5998 views 1 reply 2 participants last post by johnnychingas28,.

Ford Think Battery Wiring Diagram Wiring Diagram
Ford Think Battery Wiring Diagram Wiring Diagram from cars-trucks24.blogspot.com

Were you ever able to bypass the ford. The fuel gauge won't work. We perform ford instrument cluster repairs,.

That Type Of Voltage Conversion Generates Enough Constant Heat.


Web have a gauge not reading right in your ford? Buy $ 100.00 worth products more to get free shipping. Web ford transit mk6 instument cluster fault no speedo or rev counter.

These Circuits Are Active Whenever The Main.


Web ford think instrument cluster. Only 1 left in stock. The fuel gauge won't work.

18 Pics About I Have A 2004 F250 Ford.


5998 views 1 reply 2 participants last post by johnnychingas28,. Run this quick gauge sweep test to find out.please. Web has your ford think instrument cluster / speedometer stopped working, has your ford think stopped dead in its tracks or will not start due to your cluster ma.

Mustang 1969 Ford Instrument Panel Wiring Automotive Dale Diagnostic Technician Stockstill Gauges Category.


Were you ever able to bypass the ford. Web web ford think instrument cluster schematic i have a 2004 f250 ford super duty with a 5.4 v8 ,29 gallon tank. Follow along and see how to repair this common instrument cluster fault.subscribe and get more g.

I Think The Tach Wire Is There, Just Not Connected To Anything.


To weaken the components over time. Follow along and see how to. Not sure if it's a sending unit/sensor or the gauge cluster?