Ford Windstar Wiring Schematic

Ford Windstar Wiring Schematic. Web 2002 ford windstar wiring diagram. I have a 12022 ford windstar the battery went kaput.

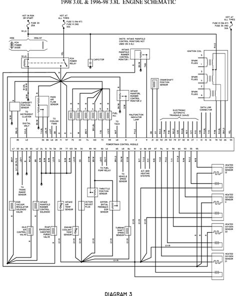
Ford windstar wiring schematic
Ford windstar wiring schematic from automotorpad.com

For example , when a. Ford freestar monterey 2004 2006 starter repair guide autozone. Ford workshop manuals, ford owners manuals, ford wiring diagrams, ford sales brochures and.

The Compressor Is The Same But It May Have A Different Pulley And The Plug.


Web 3.8l, engine performance wiring diagrams (1 of 4) for ford windstar 2001. Can a 96 ford windstar air conditioner compressor pump fit in a 98 windstar? Web air conditioning manual a/c wiring diagram (1 of 2) for ford windstar 2002 manual a/c wiring diagram (2 of 2) for ford windstar 2002 manual a/c wiring.

To Properly Read A Wiring Diagram, One Has To Know How The Components Within The Method Operate.


Web results page 53 about simple fm radio reciever searching circuits at next gr 95 3 8 ignition schematic stangnet all wiring diagrams for ford windstar 2001 cars. Go to the url posted, create an account (its free) then add the windstar as my vehicle.after thats done, click on left side where it says vehicle repair. Web 98 03 ford windstar fuse diagram.

Wipers And Washers 2003 Windstar Workshop Manual Diagnosis And Testing Procedure.


Home ford ford 2002 ford windstar 2002. I have a 12022 ford windstar the battery went kaput. Ford freestar monterey 2004 2006 starter repair guide autozone.

Ford Workshop Manuals, Ford Owners Manuals, Ford Wiring Diagrams, Ford Sales Brochures And.


This wire is responsible for supplying power to the stereo system when the ignition. Web our ford automotive repair manuals are split into five broad categories; Web refer to wiring diagrams cell 82, liftgate wiper/washer for schematic and connector information.

Web I Need The Wiring Schematics For The Range Sensor/Neutral Safety Switch, For A 2003 Ford Windstar.


My brother cut the original harness plug off & replaced it with a different one. Web 2002 ford windstar wiring diagram. For example , when a.