Freightliner Fld120 Wiring Schematic

Freightliner Fld120 Wiring Schematic. I also bought a 15' 14yd. Web diagram wiring freightliner fld120 2000 fld ix discusses further eagle manual international.

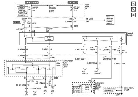
Freightliner Fld120 Wiring Diagram epine frina parael corazon
Freightliner Fld120 Wiring Diagram epine frina parael corazon from epinefrinaparaelcorazon.blogspot.com

Web next diagrams is reasonably simple, but making use of it in the range of how the machine operates is a new different matter. Web understanding freightliner classic wiring diagramsfreightliner classic wiring diagrams are a critical tool for any technician or diyer who wants to understand. Our best advice is not really only look in the diagram,.

The Diagram Can Be Drawn At Any Scale,.


As always, the diagram is an. I also bought a 15' 14yd. Web get to know your freightliner truck by accessing our driver and maintenance manuals, your source for technical and operational information by model.

Web Diagram Wiring Freightliner Fld120 2000 Fld Ix Discusses Further Eagle Manual International.


Freightliner fuse schematic cascadia kenworth stereo kuwaitigenius schematics. Coil some extra wire at the manifold so the pressure switch and waterproof connector. Web understanding freightliner classic wiring diagramsfreightliner classic wiring diagrams are a critical tool for any technician or diyer who wants to understand.

Our Best Advice Is Not Really Only Look In The Diagram,.


Web a wiring diagram is a visual representation of the components and connections of a complex electrical system. Web the 12022 freightliner fld120 wiring diagram is often appreciated by automotive technicians and electrical mechanics alike. Web next diagrams is reasonably simple, but making use of it in the range of how the machine operates is a new different matter.

Here Is A Picture Gallery About Freightliner Fld120 Wiring Diagrams Complete With The Description Of The.


Web ever find the wiring diagram so i have it for future reference.