Fuel Pump Wiring Chevy

Fuel Pump Wiring Chevy. How to identify the fuel pump wiring harness. Download a fuel pump wiring diagram to.

2000 Chevy Silverado Fuel Pump Wiring Diagram Cadician's Blog
2000 Chevy Silverado Fuel Pump Wiring Diagram Cadician's Blog from 2020cadillac.com

Web this excessive heat melts the wiring insulation allowing moisture to enter and corrode the wiring, resulting in future problems. These include the starter, ignition switch, alternator, battery, and. The blue wire and the green wire color code are used separately.

Download A Fuel Pump Wiring Diagram To.


How to identify the fuel pump wiring harness. Web the first thing to understand when looking at the fuel pump wiring diagram is the power source. Web connect the fuel pump cutoff switch to the fuel pump.

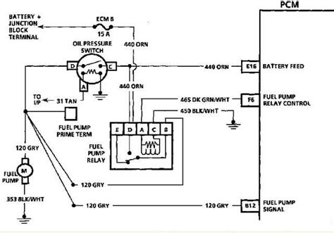
Web 1987 Chevy Truck Fuel Pump Wiring Diagrams:


It includes all the essential wiring connections. Web cut the first pair of wires about two inches away from the electrical connectors. Your kill switch protects your car wiring by cutting electricity.

The Fuel Pump Control Module Is The Brain Of The Fuel System.


Web this excessive heat melts the wiring insulation allowing moisture to enter and corrode the wiring, resulting in future problems. These include the starter, ignition switch, alternator, battery, and. Web when it comes to actually installing a fuel pump in a 1987 chevy truck, there are a few key steps to follow.

Your Fuel Pump Wire Should Be Cut And Spliced.


Web the wiring diagram for the 94 chevy 1500 fuel pump consists of several components, including the fuel pump relay, voltage regulator, fuel pump fuse, and the. Then stagger the rest of your cuts by about an inch and a half and strip the wires. Web september 6, 2022.

The Blue Wire And The Green Wire Color Code Are Used Separately.


Web exploring the 2008 chevy silverado 1500 fuel pump wiring diagramthe chevrolet silverado is one of the most popular pickup trucks on the road today, and as. It shows the location of. However, both of them are connected to the low warning lights.