Fuel Sender Wiring

Fuel Sender Wiring. Web shop for the most common amazon items we use, like fuel gauges and other electrical parts, by using our link:www.amazon.com/shop/tomstoonspontoonrefurbishing. Use this video as a reference.heres a link to.

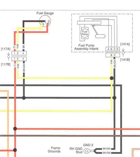
Chevy Fuel Sending Unit Wiring Diagram Chevy S10 Fuel Gauge Wiring
Chevy Fuel Sending Unit Wiring Diagram Chevy S10 Fuel Gauge Wiring from sainsproo.blogspot.com

The three wires on the. If the wires are okay, the connections are clean, and the continuity is checked, the fuel level sender is the next component to evaluate. Open the access panel for the sending.

Web Afternoon Gurus, I’m Having Trouble Understanding My Fuel Sender Wiring.


Using the vehicle’s repair manual, follow the instructions. You will get it through a deck plate at the tank’s aft end. Open the access panel for the sending.

Web Shop For The Most Common Amazon Items We Use, Like Fuel Gauges And Other Electrical Parts, By Using Our Link:www.amazon.com/Shop/Tomstoonspontoonrefurbishing.


Remember that your fuel sender will have either 2 or 3. I’m pulling the lpg out of the carby tb42 gq. Web fuel sender wires are typically pink on the positive side and black on the negative side.

The Three Wires On The.


Use this video as a reference.heres a link to. Disconnect the negative battery terminal to prevent an accidental spark. The purpose of the cable to transmit the information from the printed circuit board to a gauge which then display s the reading.

The Fuel Sender, Or Fuel Sending Unit, Is A Sensor Located In Your Fuel Tank That Relays Information To Your Fuel.


Web another issue may be a defect in the wiring from the fuel sending unit to the fuel gauge causing a shorted signal, or a bad ground wire to the grounding terminal. Most times, the wiring is bad. Web fuel level sender.

Web If The Fuel Gauge Reads Empty When You Know There Is Fuel In The Tank, The Cause May Be A Faulty Sender Unit The Electrical Device That Measures The Level.


It has a sub tank fitted. Web how to wire a fuel sending unit step 1. Web locate for a tiny, round plate at the top of the fuel tank of your boat.