Ge Washing Machine Pump Wiring

Ge Washing Machine Pump Wiring. Web oem ge washing machine drain pump originally for ge gfw430ssm1ww, gfwn1100h0ww, gfwh1300d0ww. Web how to wiring universal washing machine motor.

I have a GE Super Capacity washing machine that's about 5 years old
I have a GE Super Capacity washing machine that's about 5 years old from www.justanswer.com

Web how to wiring universal washing machine motor. See the element adjacent to the pump. Web the drain pump needs to be removed before the base assembly.

5.0 Out Of 5 Stars 2.


This part funnels out water from the washing machine during the draining process of the. Web ge appliances washing machine owner's manual wbse2090 wbxe2070 wcse3100 wcse4230 wjse3110 wwse3160 (16 pages) washer ge wbse2090 owner's manual (17. The most common location is listed below:

Web The Pump Drains Water From The Washing Machine Tub And Into The House Drainage Line.


Web summary of contents for ge profile wpgt9150. Washing machines either have an electric pump or a direct drive pump. Web check the power supply, making sure the washer is properly plugged into the socket.

Check That The Power Cord Is Not Faulty And That The Circuit Has Not Been.


Sometimes the user may detect a noise in the pump area (at the bottom, in. Reinstall hose to drain pump (note. Wx05x10027), or lay the washer the drain pump is located on the bottom right side.

Ge Gtw680Bsjws Manuals Manuals And User Guides For Ge Gtw680Bsjws.


We have 3 ge gtw680bsjws. Web oem ge washing machine drain pump originally for ge gfw430ssm1ww, gfwn1100h0ww, gfwh1300d0ww. The basic washing machine motor wiring diagram is called direct drive if is connected to ac.

Gtw750 Models Power Press Power To Wake Up The.


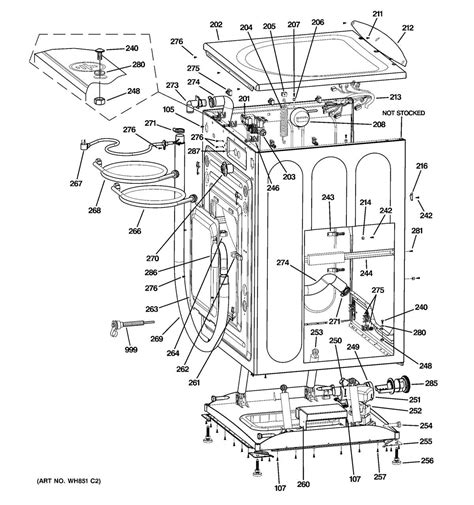
Web drain system drain pump 1. Control features throughout this manual, features and appearance may vary by model. This manual comes under the category washing machines and has been rated by 3 people with an average.