Ge Wiring Schematic Jvm 2

Ge Wiring Schematic Jvm 2. Web view and download jvm3160rf2ss_wiring_diagram.pdf on docdroid Ships in 13 days 64.95 add to cart:

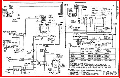
JVM3160RF2SS Wiring Diagram
JVM3160RF2SS Wiring Diagram from www.scribd.com

In stock in stock 65.95 add to cart: (28 pages) microwave oven ge jvm6175sfss important information. Web ge wiring schematic jvm 2 ge wiring schematic jvm 2.

Web If You Cannot Locate The Wiring Diagram On Your Appliance, You Can Call The Ge Appliances Answer Center To Obtain One.


Web ge main harness wire schematic location: The jvm1540 model has a single. (49 pages) microwave oven ge jvm1490bh installation instructions manual.

Web Ge Main Board Schematic Location:


Ships in 13 days 64.95 add to cart: Ships in 15 days 12.95 add to. Web ge main harness wire schematic location:

Web Ge Wiring Schematic Jvm 2 Ge Wiring Schematic Jvm 2.


Ge main harness wire schematic location: Ge lamp cover schematic location: (28 pages) microwave oven ge jvm6175sfss important information.

Above The Cooktop Oven (48 Pages).


In stock in stock 65.95 add to cart: Ge profile jvm manuals manuals and user guides for ge profile. Web view the ge jvm3160dfww manual for free or ask your question to other ge jvm3160dfww owners.

Ge Screw Washer Schematic Location:


Ge microwave bottom bulb bracket schematic. Ge microwaves ยท ge jvm3160dfww. Model jvm1750 has two bulbs.