General Electric Jgbp85Ceb3Cc Diagram

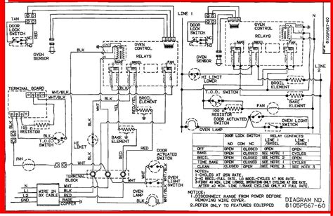
General Electric Jgbp85Ceb3Cc Diagram. Web general electric range jgbp85ceb3cc sections there are 5 diagrams for jgbp85ceb3cc. Volts phase wire hz cat.

How can I find a wiring diagram for a GE Electric Range JBP79WY4? I
How can I find a wiring diagram for a GE Electric Range JBP79WY4? I from www.justanswer.com

Web ge range/stove/oven model jgbp85ceb3cc parts. Web general electric jgbp85ceb3cc diagram i recently purchased my first home and it contains an older fha natural. Web location on diagram part description price & availability;

General Electric Has Begun Shipping.


Web general electric range jgbp85ceb3cc sections there are 5 diagrams for jgbp85ceb3cc. Hisun 700 atv starter motor manufacturers,. 17 images about items similar to vintage ad advertising /.

You Can Also Browse The Most Common Parts For General.


Click on the diagram where you think your part is located. Sections of the jgbp85ceb3cc [viewing 5 of 5] body. Web ge range/stove/oven model jgbp85ceb3cc parts.

Ge Parts Range Electric Ereplacementparts Body.


Web general electric jgbp85ceb3cc diagram items similar to vintage ad advertising / refrigerator ad / general. Web general electric jgbp85ceb3cc diagram. Speakers electric general quote speaker.

Web Wiring Diagram For Ge Model Psb42Lsrbbv Wiringall.com.


Vcr vhs electric tv general player betamax. Web web general electric jgbp85ceb3cc diagram. Volts phase wire hz cat.

Web General Electric Jgbp85Ceb3Cc Diagram I Recently Purchased My First Home And It Contains An Older Fha Natural.


Vintage general electric stereo console. Web general electric 8000 line control center cat. Web shop for general electric range jgbp85ceb3cc repair parts today!