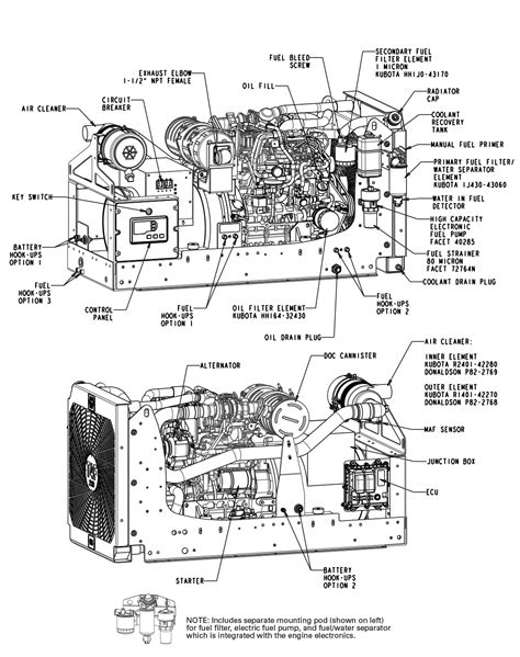
Generator Engine Wiring Diagram

Generator Engine Wiring Diagram. However, if you’re needing to replace or rebuild parts of the small engine on your lawn mower, snow. Web the generator wiring diagram is an essential tool for electricians and engineers.

Generac Gp7500e Wiring Diagram
Generac Gp7500e Wiring Diagram from wiringall.com

Popular in automotive sound and security installations. Web westinghouse generator # 2 engine switch 5 amp fuse off relay = spdt 30 amp, 12 vdc coil relay; Dimensional information and detailed drawing for a specific product.

Web Generator Engine Wiring Diagram.


Web get the technical documents you need, including: Web 11 best portable solar generators for camping rving. Web the generator wiring diagram is an essential tool for electricians and engineers.

Powermate Pm0145400 Portable Generator Wiring Diagram Manualzz.


Web briggs & stratton sells electrical components pertaining to the engine only. Web dca45ssiu2 generator and engine wiring diagram. Web a katolight generator wiring diagram is a specialized diagram that shows the wiring and connections between the various components in a katolight generator.

Generator Wiring Harness Kc 439 For Engine Sdmo Honda Motor Company Diagram.


However, if you’re needing to replace or rebuild parts of the small engine on your lawn mower, snow. Dimensional information and detailed drawing for a specific product. This includes the starter motor, the.

Plus, You Can Use It Wherever You Are—Smartdraw Runs On Any Device With An Internet Connection.


Web wiring diagrams provide a visual representation of the electrical components and connections present in a given system. Schematic diagrams, wiring diagrams, and specification sheets for your kohler power generator. Web smartdraw's wiring diagram software gets you started quickly and finished fast.

Dca45Ssiu3 Generator And Engine Wiring Diagram.


Web westinghouse generator # 2 engine switch 5 amp fuse off relay = spdt 30 amp, 12 vdc coil relay; Popular in automotive sound and security installations. Web types of technical documents available.