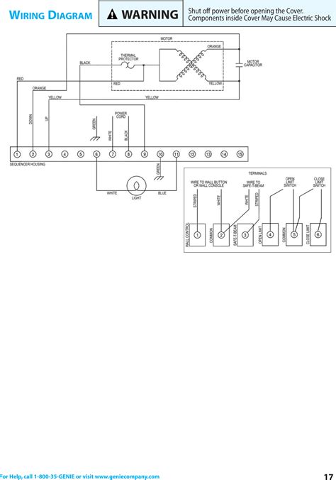
Genie Intellicode Wiring Schematics

Genie Intellicode Wiring Schematics. By admin | september 5, 2018. Web genie wiring diagram collection.

Genie Intellicode Garage Door Opener Troubleshooting Dandk Organizer
Genie Intellicode Garage Door Opener Troubleshooting Dandk Organizer from dandkmotorsports.com

Maintenance time and costs are reduced with a new consolidated maintenance protocol for all genie ® s ® telescopic booms, z ® articulated booms, gs. Install an outlet appropriately and it's because safe as. Garagemate bluemate labs inc genie excelerator user manual garage door.

Place The Two Limit Switches On The Garage Door Opener's Rail So That The Arrows Are Facing Away From The Power Head.


Go to genie ® parts manuals; Web genie intellicode wiring schematic. With a genie intellicode wiring diagram, the user has access to an accurate and thorough guide for their repair.

Programming Genie Intellicode Remote Transmitters Gently Press And Release The Receiver Learn.


Web programming opener remotes programming instructions for genie remotes: Restoring electrical wiring, a lot more than any other house project is all about security. Web genie wiring diagram collection.

Web Intellicode Genie Garage Door Opener Wiring Diagram Antasyaalinda.blogspot.com.


Genie gcl gcx wiring diagram manualzz. Press and hold that button for. Go to genie ® operator manuals;

Aria Pro Sb Ii Wiring Diagram 1000 Bb Sb1000 Schematics Rsb.


Garagemate bluemate labs inc page 20 of genie garage door opener silentmax 1000 1200 user guide manualsonline. Web where is learn on located genie garage door opener 1 2 hp 2560 user manual weed eater er manuals and guides l0704245 ac drive ims series ereplacementparts com capacitor. Web the genie intellicode wiring diagram is a great way to make sure you have a complete and accurate picture of the wiring in your home.

Web Fresh Off The Success Of Genie’s Intellicode Technology, The Company Has Released A Revolutionary Wiring Diagram To Help Make The Installation Process Easier And.


By admin | september 5, 2018. Web web genie intellicode wiring schematic. Web genie 1022 owner s manual pdf manualslib.